matva Опубликовано 29 июля, 2005 Жалоба Поделиться Опубликовано 29 июля, 2005 Есть данный кондиионер: Samsung SH09ZA8, "установлен", но неправильно. А именно когда включаешь его на холод, то он начинает сначала работать как вентилятор, а через 5 минут начинает работать как обогреватель! А если потрогать внешний радиатор (тот что отдает тепло на улицу) то он вообще ледяной и покрывается изморозью! Как исправить ситуацию? Может перепутали при подключении и неправильно подключили провода? Можно ли узнать какие провода куда подключать? Кондиционеры-то вроде как бы и старые (2 года с небольшим), но реально они не проработали ни часа! Короче: нужна схема подключения. Желательно с фотками... Ссылка на комментарий Поделиться на другие сайты Поделиться
Гость XSL Опубликовано 1 августа, 2005 Жалоба Поделиться Опубликовано 1 августа, 2005 Привет Матвей! Вот тебе номерок информационного центра поддержки самов в Киеве: 8-800-502-0000. Звонок полностью бесплатный. Схемы имеют только специализированные центры и делиться просто так они не будут - это же их "хлеб". Ссылка на комментарий Поделиться на другие сайты Поделиться
matva Опубликовано 3 августа, 2005 Автор Жалоба Поделиться Опубликовано 3 августа, 2005 Очень жаль, что нет схемы... :D Обращаться в центр не хотелось (платить придеться :sm(100): ). P.S. Ждем еще, кто хочет поделиться знаниями по кондиционерам... Ссылка на комментарий Поделиться на другие сайты Поделиться
Old men Опубликовано 3 августа, 2005 Жалоба Поделиться Опубликовано 3 августа, 2005 matva: С Самсунгом я не сталкивался, но вот у General'a (японский кондишн) схема нарисована внутри кондиционера, когда снимаешь крышку, на боковой стенке видно схему Ссылка на комментарий Поделиться на другие сайты Поделиться
matva Опубликовано 5 августа, 2005 Автор Жалоба Поделиться Опубликовано 5 августа, 2005 Old men: Ну наконец-то!!! Я уж думал, что не увидишь! Хотел в личку писать! Увы, в этом нет такого... А так все проводки помечены. А вот куда эти проводочки подсоединять - неизвестно (ну кроме той конфигурации, что уже есть :( ). Может кто нить (у кого есть такой кондишн и он правильно работает) откроет верхнюю крышку и под ней, справа будет меньшая (закрыта на один винт без пломбы) да и сфоткает как там проводочки подключены? А? Помогите, а то загибаемся от жары! :( :( Ссылка на комментарий Поделиться на другие сайты Поделиться
Дядя KoTj@ Опубликовано 15 августа, 2005 Жалоба Поделиться Опубликовано 15 августа, 2005 matva: Еесли еще не поздно :) Привет, если перепутали проводки( но это не реально) есть несколько путей проверки. Просто отсоедени все провода на внутреннем отсеке и наружном а потом подсоедени либо сравни цвета с циферками. Но если он у тебя работал на холод а теперь работает на тепло и включается в такую жару сам - чего не должно быть!!! Ему не должны дать включиться мозги ибо термостат настроен от 15 градусов ниже к нулю на тепло. Либо пульт сам включается - тоесть глюк в самом пульте. Есть еще несколько вариантов. Выйми с пульта батарейки и выключи кондик из розетки, затем включай в розетку :) открывай верхнюю панель на внутреннем отсеке - там где фильтра с права увидешь кнопку горячего включения. Главное чтоб на пульте стояла должная температура по холоду, не помню сколько раз надо нажать 1 или 2 раза - запустится компресор - проверь по работе какой режим пашет если опять тепло нажми еще 2 раза как бы следующий режим должно запустится на холод. Кстати на пульте тоже должно все обнуляться:) Ссылка на комментарий Поделиться на другие сайты Поделиться
matva Опубликовано 15 августа, 2005 Автор Жалоба Поделиться Опубликовано 15 августа, 2005 Дядя KoTj@: Но если он у тебя работал на холод а теперь работает на тепло и включается в такую жару сам В том-то и дело, что НИКОГДА он не работал на холод. При работе на холод он давал тепло. (ну я же написал как все есть и было :) ) Old men: Фотки сделал, но пока не могу их выложить. :) Ссылка на комментарий Поделиться на другие сайты Поделиться
Дядя KoTj@ Опубликовано 17 августа, 2005 Жалоба Поделиться Опубликовано 17 августа, 2005 1- Какие установки на пульте ? 2- Как же его установили и не проверили? или Вы сами ставили? 3- Сделали Вы точто я описал выше? Можно отключить соленоид - тоесть питание от катушки - и очень окуратно только очень через проставку стукнуть с права потом слева по соленоиду(четырех ходовой вентиль) - может в нем проблемма. А зачем фотки? Ссылка на комментарий Поделиться на другие сайты Поделиться
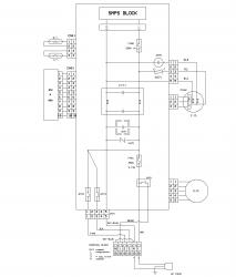
matva Опубликовано 21 августа, 2005 Автор Жалоба Поделиться Опубликовано 21 августа, 2005 Так... Вот и фотки. Просто отсоедени все провода на внутреннем отсеке и наружном а потом подсоедени либо сравни цвета с циферками.Проверил: все соответствует маркировке. И на внешнем и на внутреннем. Вот еще привожу схему, которая была на крышке внешнего отсека. Сразу приношу извинения за большой объем фоток. Не было возможности их отредактировать и ужать их. на внутреннем отсеке - там где фильтра с права увидешь кнопку горячего включения.Где? Укажи на фотке. Ссылка на комментарий Поделиться на другие сайты Поделиться
Old men Опубликовано 22 августа, 2005 Жалоба Поделиться Опубликовано 22 августа, 2005 matva: Посмотрел фото и прочитал твое последнее сообщение. Мое твердое мнение - вся электрика у тебя работает правильно, а глюк с самой системой охлаждения. Немного теории работы холодильных установок (я хоть и не профи в них, однако немного возился). Само охлаждение происходит так: рабочий газ (фреон), циркулирующий в системе, сжимается компрессором и идет на "горячий" теплообменник, где по идее должен охлаждаться до уличной температуры и после этого, проходя через подводящие трубки к форсунке, проходит через нее, резко расширяясь (и сооответсвенно, резко охлаждаясь) и поступает в "холодный" теплообменник, куда вентилятор гонит комнатный воздух. Так вот, исходя из твоего первого сообщения, у кондишена либо перепутаны теплообменники (что, на мой взгляд, совершенно невероятно), либо они перезаправлены фреоном, при этом, за счет избыточного давления в системе роль форсунки начинает выполнять выход из "горячего" теплообменника в трубопровод (там трубки существенно разного диаметра), при этом роль "холодного" теплообменника начинает выполнять сам трубопровод, а до реального "холодного" теплообменника температура уже выравнивается и озлаждения в комнате не происходит. Возможен еще вариант засорения системы, при этом частицы мусора (или льда, образованного из водяного пара, присутствующего внутри системы (чего быть категорически не должно) сужают трубопровод и образуют длполнительную форсунку. Извини, если то, что написал, тебе известно, но других вариантов я не вижу Ссылка на комментарий Поделиться на другие сайты Поделиться
matva Опубликовано 22 августа, 2005 Автор Жалоба Поделиться Опубликовано 22 августа, 2005 (изменено) Old men: Теорию охлаждения и работу как кондиционера, так и холодильника (что по сути одно и тоже) я знаю... при этом роль "холодного" теплообменника начинает выполнять сам трубопровод, а до реального "холодного" теплообменника температура уже выравнивается и озлаждения в комнате не происходит. Проблема как раз в неправильном подключении и именно проводов, потому как перепутать патрубки (трубопровод) просто невозможно. Они разного диаметра. По крайней мере на внешнем блоке (на внутреннем я не могу посмотреть т.к. много надо расскручивать и снимать деталей, а кондиционер под потолком, а я еще крыльев не имею :) ) Ну а если они одинакового размера на внутреннем блоке? Вот тогда все как раз и встает на свои места. Но я не думаю, что разработчики такие глупые, что сделали так. Вот и получается, что только подключение проводов. Так что твоя теория, Old men, хороша, но не подходит... :( Да и я в своем первом сообщении писал: А если потрогать внешний радиатор (тот что отдает тепло на улицу) то он вообще ледяной и покрывается изморозью! Именно радиатор, а не трубопровод. Изменено 22 августа, 2005 пользователем matva Ссылка на комментарий Поделиться на другие сайты Поделиться
Old men Опубликовано 22 августа, 2005 Жалоба Поделиться Опубликовано 22 августа, 2005 matva: Не может там быть неправильным подключение проводов. 1. Ты проверил соответствие маркировки проводов и клемм 2. Я, сколько мог по фото, тоже проверил соответствие проводов и схемы 3. Главное - ты пишещь, что при включении на холод внешнийтеплообменник покрывается изморозью - значит компрессор вкючается, как и положено. А вот теплообменники поменялись местами. Это только ошибка в самой схеме охлаждения, поскольку (я уже говорил) для того, чтобы перепутать теплообменники местами надо быть, мягко говоря, или вдымину пьяным или полностью неумным - остается перезаправка фреоном, слишком большое давление в системе. Любое неправильное включение проводов не дало бы включаться компрессору, а по твоим словам все идет ОК, врубается вентилятор, потом компрессор. Ссылка на комментарий Поделиться на другие сайты Поделиться
matva Опубликовано 22 августа, 2005 Автор Жалоба Поделиться Опубликовано 22 августа, 2005 Old men: Вот для того, чтобы исключить неправильное подключение и нужна схема. То, что маркировка на проводах совпадает ничего не говорит. Эти лейбочки снимаются... Может когда подключали, то слетела одна или две, а поставили не на те провода, потому как имеются одинаковые коричневые провода... 3. Главное - ты пишещь, что при включении на холод внешний теплообменник покрывается изморозью - значит компрессор вкючается, как и положено. А вот теплообменники поменялись местами. А как назад вернуть? Как их поменять? Ссылка на комментарий Поделиться на другие сайты Поделиться
Old men Опубликовано 23 августа, 2005 Жалоба Поделиться Опубликовано 23 августа, 2005 matva: Вот для того, чтобы исключить неправильное подключение и нужна схема. Но ведь схема кондиционера у тебя есть. У тебя нет схемы контроллера и пульта, они в данном случае и не нужны. Если бы у тебя не задавался температурный режим, или вообще не было бы реакции на управление - тогда можно было бы грешить на контроллер. Но ведь у тебя идет отработка команд, следовательно контроллер свой функции по управлению (по крайней мере на начальном уровне) выполняет. Там может, конечно, выплыть неисправность задатчика температуры (т.е. отключение не при той температуре, которую ты задал, а при другой), но это уже тонкая настройка, а твой вопрос пока на уровне первичной коммутации. А как назад вернуть? Как их поменять? Это может сделать только специалист, потому что, любое нарущение в пневматической системе и ее восстановление в нормальный режим - это выпуск имеющегося фреона и новая заправка. К тому же, согласись, быть уверенным и пощупать своими руками - это все-таки разные вещи Ссылка на комментарий Поделиться на другие сайты Поделиться
matva Опубликовано 23 августа, 2005 Автор Жалоба Поделиться Опубликовано 23 августа, 2005 (изменено) Old men: Но ведь схема кондиционера у тебя есть.НЕТУ! Это схема только внешнего блока! А как на внутреннем подключать? То что они подключили по ярлыкам я могу проверить, а как быть с другими проводами? Теми, что я отметил?Может я неправильно выразился, что "нужна схема", но нужна такая же схема как и на внешнем блоке. P.S. Все равно ОГРОМНОЕ спасибо за участие... Изменено 23 августа, 2005 пользователем matva Ссылка на комментарий Поделиться на другие сайты Поделиться
matva Опубликовано 30 сентября, 2005 Автор Жалоба Поделиться Опубликовано 30 сентября, 2005 Итак возвращаемся к нашим баранам... Кто-нибудь, у кого такой же кондишн, пришлите фотку с внутренностями своего правильно-подключенного кондиционера! Ссылка на комментарий Поделиться на другие сайты Поделиться
oblivion Опубликовано 1 октября, 2005 Жалоба Поделиться Опубликовано 1 октября, 2005 (изменено) афигеть это стока времени прошло и так никто и не помог.. :( Первое предупреждение за флуд. Второго не будет Изменено 1 октября, 2005 пользователем Old men Ссылка на комментарий Поделиться на другие сайты Поделиться
tormozzz Опубликовано 1 октября, 2005 Жалоба Поделиться Опубликовано 1 октября, 2005 У меня на работепо моему такой.... могу узнать только в понедельник ) Ссылка на комментарий Поделиться на другие сайты Поделиться
matva Опубликовано 14 октября, 2005 Автор Жалоба Поделиться Опубликовано 14 октября, 2005 tormozzz: Ну и? Уже и понедельник прошел и ничего... Всем: И все-таки склоняюсь к неправильному подключению: Когда было на улице +33 (ну и в помещении соответственно +28) и включал кондиционер на холод, то гнал теплый воздух. Теперь когда на улице +10, а в помещении +19, то при включении на холод идет прохладный воздух и еле-еле. Если включаю на обогрев (холодно ведь... :) ), то вообще никакого движняка! Но внешний блок работает и слышно как булькает и видно как вращается вентилятор. С пульта задаешь температуру (никакого результата), скорость вентиляции (никаких изменений), разные режимы (никакого результата) - естественно если ставишь на тепло. Ну и что делать? Дядя KoTj@: Если на блоке нажать и держать кнопку включения более 5-7 секунд, то включается кондиционер (именно как кондиционер!), а если выбрать режим обогрева, то прекращается вентиляция и усе глухо... Я так понимаю это и есть, типа, "горячее включение". Ссылка на комментарий Поделиться на другие сайты Поделиться
matva Опубликовано 13 ноября, 2005 Автор Жалоба Поделиться Опубликовано 13 ноября, 2005 Народ: Извините, что опять поднимаю тему, но проблема все-еще не решена! Скоро пройдет зима (а она пролетит незаметно), а там опять лето подберется! Ну неужели ни у кого нет такого кондиционера? Ну сфоткайте его внутренности и выложите тут. Ссылка на комментарий Поделиться на другие сайты Поделиться
legos Опубликовано 13 ноября, 2005 Жалоба Поделиться Опубликовано 13 ноября, 2005 matva Увы, есть у меня два кондера, но они цельные, форточные, тоесть другие, без обогрева. Тему твою помню, но не встречал схем. :) Ссылка на комментарий Поделиться на другие сайты Поделиться
Old men Опубликовано 14 ноября, 2005 Жалоба Поделиться Опубликовано 14 ноября, 2005 matva На этой странице есть мануал на русском, если у тебя его нет, можешь скачать. Здесь же есть приведен ящик тех. поддержки info@samsung.ru, попробуй обратиться к ним с описанием проблемы. Иногда отвечают (на других сайтах, к Самсунгу не обращался). Ссылка на комментарий Поделиться на другие сайты Поделиться
kolik Опубликовано 14 ноября, 2005 Жалоба Поделиться Опубликовано 14 ноября, 2005 если вы запускаете кондей на холод а он после задержки начинает работать на тепло по моему мнению дело не в подключении, а гдето сбой в мозгах, потому что еслибы бы не правельно подключили ,перепутали провода на 3х ходовой и вентилятор нар блока, кондей врубился на полную мощьность сразу и стал гнать тепло, а так он просто не одекватно воспринемае команду. Ссылка на комментарий Поделиться на другие сайты Поделиться
Дючик Опубликовано 14 ноября, 2005 Жалоба Поделиться Опубликовано 14 ноября, 2005 Ну что вы все заладили,схема,схема....да будет вам известно,что при неправильном подключении компрессор кондиционера просто бы не включался(не буду вдаваться в подробности,поскольку они здесь не нужны).Вам тут уже один раз правильно ответили,что проблема скорее всего в 4-х ходовом клапане Можно отключить соленоид - тоесть питание от катушки - и очень окуратно только очень через проставку стукнуть с права потом слева по соленоиду(четырех ходовой вентиль) - может в нем проблемма.(с) Если не поможет этот способ,то только его замена,больше ничего не спасёт. Ссылка на комментарий Поделиться на другие сайты Поделиться
matva Опубликовано 14 ноября, 2005 Автор Жалоба Поделиться Опубликовано 14 ноября, 2005 Old men, kolik, Дючик: Спасибо за ответ. Дючик: Что на двух сразу одна и та же проблемма? Маловероятно... А как вы себе это представляете? Почему же все работает наоборот? Вот я и хочу разобраться КАК должен ПРАВИЛЬНО работать кондиционер, а для этого и надо схема. На словах-то все красиво и понятно... Ведь кондиционер это есть не что иное как холодильник, а устройство его (принципиальное) я знаю. Но что ходить вокруг да около: нужна схема! Ссылка на комментарий Поделиться на другие сайты Поделиться
Рекомендуемые сообщения
Для публикации сообщений создайте учётную запись или авторизуйтесь
Вы должны быть пользователем, чтобы оставить комментарий
Создать учетную запись
Зарегистрируйте новую учётную запись в нашем сообществе. Это очень просто!
Регистрация нового пользователяВойти
Уже есть аккаунт? Войти в систему.
Войти