kvazimoda Опубликовано 4 января, 2015 Жалоба Поделиться Опубликовано 4 января, 2015 батарейки в этой ситуации вещь не плохая хотя бы потому что их не нужно тащить обратно, например из какого-то похода. Ну, бросать батарейки в походе - не самая лучшая идея. Их в мусорку то выкидывать нельзя, если по правильному. А вообще, если уж на то пошло, то либо подумать заранее и приобрести какой-нибудь ручной генератор или солнечную батарею, либо, если это возможно, то лучше заряжать аккумулятор отдельно от устройства. Так гораздо больше энергии достанется аккумулятору. А то какие бесконечные преобразования туда-сюда. Ссылка на комментарий Поделиться на другие сайты Поделиться
Loader Опубликовано 4 января, 2015 Жалоба Поделиться Опубликовано 4 января, 2015 лучше заряжать аккумулятор отдельно от устройства Так-то оно так, но: 1. USB - это какой-никакой стандарт (ни проблем с разъемами ни с напряжением) 2. Не все аппараты имеют съемную батарею, тем более сразу же встает вопрос "науки о контактах" 3. Многие хотят и пользоваться и заряжать одновременно. Ссылка на комментарий Поделиться на другие сайты Поделиться
Valery Опубликовано 5 января, 2015 Автор Жалоба Поделиться Опубликовано 5 января, 2015 (изменено) В том документе, что я присоединил к первому посту имеется такой текст: Многие современные мобильные устройства, оснащены литий-ионными аккумуляторами, одиночныйэлемент которого имеет собственное напряжение 3,6-3,8 V, для зарядки которого вполне достаточно 5 V.Именно такое напряжение имеет шина питания распространенного в наше время компьютерного портаUSB 2. По этому я решил «привязать» свои зарядные устройства именно к этому порту.Но следует знать, что дата-кабель, который служит для обмена данными с компьютером, не обязательноподдерживает зарядку устройства от этого порта. Нужно иметь именно кабель для зарядки. Такие кабелиимеются в широкой продаже, или их можно изготовить самостоятельно.Таким образом, если какое-либо устройство способно заряжаться от компьютерного порта USB 2, либоот USB – совместимого зарядного устройства, значит оно подходит и для указанных ниже способовзарядки.Я рассчитывал сделать универсальное приспособление оснащенное портом USB, от которогоможно заряжать устройства различного типа и назначения, например для семейного или групповогопользования. К тому же готовый зарядный кабель для USB найти проще, чем какой-то другой. Еслиэто не планируется, то достаточно найти или изготовить кабель только для одного устройства.Самое простое, - отрезать кабель от негодного зарядного устройства, и оснастить его зажимами.Или решить этот вопрос как-то иначе. Если у шнура какая-то хитрая распайка контактов на стороне заряжаемого устройства, то значит нужно найти такой готовый шнур. Если зарядный шнур "USB - Ваше устройство" найти в продаже не удается, то можно купить автомобильное устройство для заряда этого устройства, и заряжать через него, как я уже говорил. Возможен вариант покупки аналогичного сетевого зарядного устройства, и на шнур установить разъемы, - возле зарядного устройства впаять USB маму, а на шнур - папу. Таким образом получим шнур для заряда конкретного телефона от USB. Без потери общей функциональности, так как можно соединить обратно как было. Что-то делать со штатным ЗУ не советую, это может привести к проблемам с ремонтом или магазином в случае чего. Если устройство требует наличия корректных данных на контактах 2 и 3, и в шнуре к зарядке более чем два провода, то такой случай данной темой не предусматривается. :) Изменено 5 января, 2015 пользователем Valery Ссылка на комментарий Поделиться на другие сайты Поделиться
kvazimoda Опубликовано 5 января, 2015 Жалоба Поделиться Опубликовано 5 января, 2015 Так-то оно так, но: 1. USB - это какой-никакой стандарт (ни проблем с разъемами ни с напряжением) 2. Не все аппараты имеют съемную батарею, тем более сразу же встает вопрос "науки о контактах" 3. Многие хотят и пользоваться и заряжать одновременно. Саш, это всё понятно, но если встаёт речь о заряде от ограниченного источника энергии, то, если есть возможность, надо минимизировать все возможные преобразования напряжений. О чём, собственно, я и говорю, и во что упёрся @Valery. Из-за всех этих стандартов и желания использовать во время зарядки, вместо зарядки получаем чуть замедленную разрядку, и то, пока батарейки чуть не сядут. Ссылка на комментарий Поделиться на другие сайты Поделиться
Valery Опубликовано 5 января, 2015 Автор Жалоба Поделиться Опубликовано 5 января, 2015 О чём, собственно, я и говорю, и во что упёрся Valery. Из-за всех этих стандартов и желания использовать во время зарядки, вместо зарядки получаем чуть замедленную разрядку, и то, пока батарейки чуть не сядут. Да, @kvazimoda, прав. Дело в общем это не так эффективное как мне когда-то казалось. Так что лучше применять или очень мощные батареи (или их сборки), или аккумуляторы, или механические или солнечные зарядные устройства, которые так же неизвестно как себя поведут. Ну и некоторые мои наблюдения: Относительно испытаний Step Up преобразователей. Сначала, пока питающий аккумулятор хорошо заряжен, зарядка ведется весело и штатно, но спустя некоторое время преобразователь снижает напряжение на выходе, и зарядка не понятно, то ли есть, то ли нет, но режим в общем нештатный. Мой дешевый телефон при этом всё равно потихоньку заряжался, а вот как поведут себя другие устройства, - одному Богу ведомо. Наконец наступает момент, когда телефон более-менее заряжается, им потребляемый ток видимо снижается, и напряжение приходит в норму. Но сколь долго я не ждал, сообщения "зарядка окончена", так и не дождался. Вероятно тут проблема не с аккумулятором телефона, а с его программно-аппаратной частью, которая определяет состояние аккумулятора. Опять же, как поведут себя другие аппараты, - неизвестно. Ну и с чего всё началось: Одно время я приноровился смотреть фильмы на mp3 плеере Explay M10, причем делал это не дома у розетки, а в транспорте, ну или на работе, если выпадала какая-нибудь пауза, в общем где только можно. Но аккумулятор в этом плеере от фильмов убивался очень быстро. Ну и надо было что-то придумывать. Первое что пришло на ум, - свинцовый аккумулятор, где-нибудь на 5 -10 А*ч на 12 вольт, и "кренка". Но аккумулятор надо заряжать, а это не получалось из-за специфики работы, и других обстоятельств, да и тяжелый зараза. :) Выход был один - батарейки. Причем действовал как, - сначала подключал батарейки, а уже потом запускал фильм. И периодически проверял напряжение, не слишком ли упало, и не нужно ли что сделать с ними. Постоянно приходилось перебирать элементы, выбраковывать негодные, добавлять более-менее живые, и т.д. Причем часто бывало так, что индикатор заряда показывал что заряд идет, а на самом деле плеер медленно разряжался, но медленнее чем без батареек. Мне это в общем помогало, и плеер всегда был более-менее заряжен. Потом я купил новый плеер, бросил фильмы и перешел на аудиокниги, теперь заряда хватает на весь день, и проблема умерла сама собой. :) Что бы я сделал сейчас, если бы снова возникла такая проблема? Даже и не знаю, наверно соединил бы штук пять 3R12 параллельно, и от этой сборки запитал бы Step Up преобразователь... а может и нет, трудно сказать. Ссылка на комментарий Поделиться на другие сайты Поделиться
Valery Опубликовано 8 февраля, 2015 Автор Жалоба Поделиться Опубликовано 8 февраля, 2015 (изменено) Немного продолжил экспериментировать по этому вопросу, и вывел такое правило: От USB могут нормально заряжаться только те устройства, в которых такая зарядка предусмотрена разработчиками. Все иные устройства, в которых такое не предусмотрено инструкцией, будут заряжаться некорректно, а именно недозаряжаться. А значит сообщения о конце заряда скорее всего мы и не дождемся. То же самое касается и заряда от покупных мобильных ЗУ, которые оснащены портами USB. Например родное ЗУ от телефона Nokia выдает без нагрузки 7,5 вольт, что несколько больше чем 5,0 вольт от USB. Кроме того в штатных ЗУ могут быть разные хитрости, такие например как стабилизация не напряжения, а тока, ШИМ-контроллеры, и тому подобное. Это всё конечно годится для каких-то экстремальных ситуаций, когда невозможно зарядить телефон от сети, но всё равно, хотя бы раз в неделю нужно изыскать возможность полностью зарядить устройство от сети, так как иначе будет хронический недозаряд, и аккумулятор может ухудшить свои характеристики. Напомню, - последнее касается тех устройств, в которых зарядка от USB, или от USB- совместимого ЗУ не предусмотрена разработчиками. Ну и тут часто выше говорилось, - кренка, кренка, так что решил проверить как она себя поведет в данном случае. Да не просто, а приделать к ней индикатор тока заряда. Что получилось: По схеме: Диод VD1 выполняет две задачи, - защищает от переплюсовки, и одновременно является датчиком тока, так как падение напряжения на диоде зависит от проходящего тока. Но вот это падение у обычных диодов достаточно большое, и что бы немного "загрубить" индикатор был выбран диод КД213А, имеющий падение около 300 милливольт. Светодиод зажигается при токе около 50 mA. Этот диод можно заменить импульсными диодами, или диодами Шоттки, на ток более 2A. Или вместо него поставить резистор. Испытано что при резисторе сопротивлением 3 ома, светодиод зажигается при токе около 250 mA. Транзистор VT1 в общем любой обычный маломощный структуры p-n-p. Резистор R2 очевидно защищает транзистор при очень уж большом токе, испытания показали, что он может находиться в пределах по крайней мере 0 ом - 1 килоом, заметной разницы не видно. Но поставить небольшой всё же нужно. Светодиод выбрать какой требуется, резистор R3 подобрать по нужной яркости. C1 и C2 поставил такие потому что были. ИМС включается по обычной схеме. PS: Опечатки: XT3 обозначен как "Вилка USB", на самом деле розетка. Резистор R1 потерялся, будем считать что под него зарезервирован резистор устанавливаемый вместо диода. Светодиод в процессе заряда может светиться по-разному, или например ярко вспыхивать импульсами, сначала часто, а потом реже, или сначала светиться ярко, а к концу заряда пригасать. Для серьёзной работы нужен радиатор побольше чем применен у меня, у меня же это всё использоваться всё равно не будет, так, только для эксперимента. Напряжение питания, примерно от 8 до 15-18 вольт, ток - не более 1A. Перед использованием убедиться в исправности, и в том что не перепутана полярность. Изменено 8 февраля, 2015 пользователем Valery 1 Ссылка на комментарий Поделиться на другие сайты Поделиться
Teddy_Bear Опубликовано 9 февраля, 2015 Жалоба Поделиться Опубликовано 9 февраля, 2015 (изменено) Диод VD1 выполняет две задачи, - защищает от переплюсовки Je ne comprends pas не вижу я в схеме защиты от переполюсовки... - То есть, объясните, пожалуйста, как работает защита на транзисторе. Я обычно защиту на диоде делал. Изменено 9 февраля, 2015 пользователем Teddy_Bear Ссылка на комментарий Поделиться на другие сайты Поделиться
Valery Опубликовано 9 февраля, 2015 Автор Жалоба Поделиться Опубликовано 9 февраля, 2015 Диод VD1 не пропустит ток в обратном направлении. Я обычно защиту на диоде делал. Ну так и есть. Насчет транзистора VT1: Он просто открывается тогда, когда на диоде, который в данном случае работает как резистор (нелинейный конечно, ну да это не особенно и важно в данном случае), появится достаточное для его открытия падение напряжения, и открывшись - зажигает светодиод. Сам транзистор диодом не защищен, - он по задумке сам себя должен защитить, так как против стрелки на эмиттере ток и сам не пойдет, да и светодиод оказывается включенным в обратном направлении. Да и если индикатор и сгорит, то вся схема всё равно останется работоспособной. Проверил на переплюсовку, на короткое время конечно, около пяти секунд, - ничего не произошло. Что бы дополнительно защитить транзистор, можно последовательно со светодиодом добавить еще и обычный выпрямительный диод. Ссылка на комментарий Поделиться на другие сайты Поделиться
Teddy_Bear Опубликовано 9 февраля, 2015 Жалоба Поделиться Опубликовано 9 февраля, 2015 (изменено) @Valery, дело в том, что защищать надо не транзистор и даже не КРЕНку. Защищать нужно схему, которая питается от КРЕНки. Сгорит транзистор - да и хрен с ним. Сгорит смартфон - грешноватенько, особенно по нынешним ценам. Защита на диоде работает следующим образом: Параллельно входу КРЕНки подключается диод, включенный в противоход и предохранитель на входе. При нормальной подаче напряжения диод защиты заперт и всё ОК. При ошибочной подаче плюса напряжения в обратку диод открывается и предохранитель на входе перегорает, охраняя всю схему. В Вашей схеме я не вижу аналога этого механизма. Кстати, весьма рад наличию достаточно мощных конденсаторов и радиатора у КРЕНки. Изменено 10 февраля, 2015 пользователем THE OLD VERMIN Ссылка на комментарий Поделиться на другие сайты Поделиться
Valery Опубликовано 10 февраля, 2015 Автор Жалоба Поделиться Опубликовано 10 февраля, 2015 Защита на диоде работает следующим образом: Параллельно входу КРЕНки подключается диод, включенный в противоход и предохранитель на входе Приведенная схема самая неэффективная из всех схем защит, как гласит закон Мерфи, "Прибор защищаемый плавким предохранителем, успеет защитить этот предохранитель, сгорев первым". И так бывает очень часто. Предохранитель сгорает далеко не мгновенно, и смотря на качество, на это могут уйти секунды, хорошо если не минуты. А вообще, если интересно, схем защит от переплюсовки на диоде существует по крайней мере штук пять, и все они разной степени дерьмовости. Ссылка на комментарий Поделиться на другие сайты Поделиться
Teddy_Bear Опубликовано 10 февраля, 2015 Жалоба Поделиться Опубликовано 10 февраля, 2015 (изменено) Это принципиальная схема - диод, включенный в противоход. Можно обвесить его как угодно. В Вашей схеме я этого не вижу, поэтому и спросил. Насчёт времени сгорания. Диод снимет напряжение с выхода до уровня долей вольта на всё время сгорания. Поэтому большое время реакции не страшно. Я и хотел просветиться в этой области. Изменено 10 февраля, 2015 пользователем Teddy_Bear Ссылка на комментарий Поделиться на другие сайты Поделиться
Valery Опубликовано 10 февраля, 2015 Автор Жалоба Поделиться Опубликовано 10 февраля, 2015 Диод, он вроде как клапан, который пропускает например воздух или воду только в одну сторону. Ну вроде как в противогазе. На моей схеме диод VD1, включен по ходу тока, а в другую сторону он просто не откроется, и цепь будет разомкнута. Не я это придумал, я такое применение диода видел много раз в разных схемах. Да и очевидно же. Ссылка на комментарий Поделиться на другие сайты Поделиться
Loader Опубликовано 10 февраля, 2015 Жалоба Поделиться Опубликовано 10 февраля, 2015 Защита как уже было указана стоит по входу т.е. переполюсовка уже невозможно. А приведенная схема с диодом обычно применяется для обмоток реле, дабы защитить управляющие цепи и к теме вопроса не имеет никакого отношения. Есть более мощные защиты, но они и стоят соответствующе, а как мы условились схема должна быть довольно бюджетной. Ссылка на комментарий Поделиться на другие сайты Поделиться
Teddy_Bear Опубликовано 10 февраля, 2015 Жалоба Поделиться Опубликовано 10 февраля, 2015 (изменено) Да и очевидно же Пардон, но второй диод (индикаторный) тоже запирается. Совсем не очевидно, что на первом падает большая часть напряжения. P.S. Упс. Защита по току... То есть в конечном итоге по мощности. Теперь дошло. Да и по напряжению тоже - на входе 78хххх стабилитрон (открытый при переполюсовке) и резистор 80 К. Изменено 11 февраля, 2015 пользователем Teddy_Bear Ссылка на комментарий Поделиться на другие сайты Поделиться
Valery Опубликовано 10 февраля, 2015 Автор Жалоба Поделиться Опубликовано 10 февраля, 2015 Пожалуй я недостаточно упомянул о этих самых "кренках". В данной схеме можно применить советскую (или пост-советскую, не знаю в какой стране теперь их делают), микросхему КР142ЕН5А, именно с "А", это важно. На самом корпусе может быть написано "КРЕН5А". У меня в схеме выше используется именно такая. Или импортные аналоги серии 7805, например xxx7805xxx, где xxx - могут быть разные буквенные обозначения. Более подробные ТТХ легко найти в интернете. Логика работы проста, - лишняя мощность превращается в тепло, и рассеивается радиатором. К примеру собрана схема показанная на фотографии в посте 31 в середине. Представим что микросхема выдает 5 вольт, при токе пусть 0,5A, значит мощность на выходе 2,5 ватта. Но аккумулятор "не знает об этом", и гонит свои 12 вольт при тех же 0,5А, значит 6 ватт. Стало быть (6-2,5) 3,5 ватта греет атмосферу. Это всё в общем в норме, микросхема может выдержать и бОльшую мощность, но радиатор необходимо ставить почти всегда, особенно при больших перепадах напряжения до и после. 1 Ссылка на комментарий Поделиться на другие сайты Поделиться
Valery Опубликовано 3 января, 2017 Автор Жалоба Поделиться Опубликовано 3 января, 2017 Решил продолжить эксперименты с повышающими преобразователями, только на этот раз мощными. Приобрел регулируемый в широких пределах преобразователь мощностью 200 ватт (если верить продавцу). Выбранный мной преобразователь способен выдавать от 12-вольтового аккумулятора до 60,5 вольт. Правда без нагрузки. Это может помочь при использовании или зарядке более чем 12-вольтовых приборов на автомобиле. Вообще я планирую сделать при помощи этого преобразователя 19-вольтовое зарядное устройство для ноутбука, которое в свою очередь питается от 12-вольтового аккумулятора. Если бы это всё было на автомобиле, то называлось бы автомобильным зарядным устройством. Но поскольку использование на автомобиле не планируется, то получается что это похоже на недоделанный Power Bank. Я пока не смог найти качественный разборный разъём питания для своего ноута, как оказалось этот тип разъёмов довольно редкий. Пока мне попались только два очень тонких шнура с похожими на глазок разъёмами. Один из таких шнуров подключен к преобразователю: Это по сути готовое зарядное устройство, которое можно использовать по такому назначению. Попытка использовать по назначению: В общем всё это работает, но пока как говорится через пень-колоду. Почти сразу перестал работать один шнур, токи всё-таки не детские. При простое - примерно 2A (см. фото). При запуске ОС или хорошей загрузке - до 5А. Для такого аккумулятора это в общем не так и много. Второй шнурок из купленных работает более-менее ничего, только плохо контачит. Но всё равно, это баловство, надо делать что-то серьёзное. Это всё вряд ли имеет какой-то практический смысл, и делается просто из желания посмотреть что получится. Не стоит это повторять без особой на то нужды. Как только найду нормальный разъем, и сделаю что-то серьёзное, - продолжу. Ссылка на комментарий Поделиться на другие сайты Поделиться
Valery Опубликовано 9 января, 2017 Автор Жалоба Поделиться Опубликовано 9 января, 2017 Нашел кусок шнура с подходящим разъемом, да и с ферритовым фильтром к тому же. Фильтр я так и так собирался ставить. Правда коротковат проводок, ну да ничего. Преобразователь работает нормально, ноут заряжается штатно. В принципе можно уже пользоваться, если вдруг возникнет такая нужда. При заряде аккумулятора ноутбука ток заряда поначалу может превышать 5А (у меня амперметр до 5А). Обычный ток заряда 3-5А. После заряда аккумулятора, ток потребления ноутбука снижается. При нагрузке 3G модем, + Firefox онлайн проигрывающий музыку с социальной сети - 3А. Если закрыть Firefox ток падает до 2А. Нифига себе. С отключенным модемом, wi-fi модулем, и всеми закрытыми (насколько возможно) программами - 1,5А. Ток не стабилен, и очевидно из-за работы различных процессов Windows заметно "прыгает". Даже заметно реагирует на движения мыши. Исходя из этого можно предположить что если аккумулятор ноутбука будет заранее заряжен, то при токе около 2-3A, заряда внешнего аккумулятора должно хватить примерно на 5-6 часов. При простое и меньшей нагрузке - дольше. После чего у нас ещё остается полностью заряженный собственный аккумулятор. Мне так представляется что ёмкости полностью заряженного указанного ниже аккумулятора, должно хватить хотя бы на один полный заряд штатного аккумулятора ноутбука, если он был разряжен. При всём этом участвовали: Ноутбук Acer V3 771G, аккумулятор кислотный необслуживаемый (гелевый) на 12V 18Ач, уже много раз засвечивающийся в разных темах. Step Up преобразователь куплен на Алиэкспрессе. Ссылка на магазин - по требованию. Провода, разъёмы, выключатель, и т.д. Планируется всё это разместить в каком-то корпусе, и добавить измерительные приборы, которые будут показывать как состояние питающего аккумулятора, так и что происходит на выходе. А так же звуковой сигнализатор разряда аккумулятора близкого к критическому. Когда всё сделаю, (если сделаю), то продолжу. Обычно если какое-то устройство заработало, то я быстро теряю к нему интерес. Напомню, все действия могут привести к значительным потерям, и выполняются только на свой страх и риск. Ссылка на комментарий Поделиться на другие сайты Поделиться
Valery Опубликовано 2 августа, 2017 Автор Жалоба Поделиться Опубликовано 2 августа, 2017 На даче как-то довольно надолго пропал свет, было желательно смотреть телевизор, а так же заряжать ноутбук и разные телефоны. Воспользовался китайским преобразователем 12\220 (автомобильным инвертором), на 200 ватт. Выглядит он так: Устройство очень небольшое, не больше ладони, можно посмотреть например какого размера USB порты и розетка. Принес автомобильный аккумулятор из гаража, подключил. Старый кинескопный телевизор 90х годов работал нормально. При этом ток потребления от аккумулятора был около 5 ампер. Ноутбук так же заряжался нормально. Вообще с такими приборами надо быть довольно осторожным. Первое - форма выходного напряжения. У всех недорогих моделей на выходе не синусоида, а т.н. модифицированная синусоида, то есть напряжение вот такой, или похожей формы: Новые устройства с импульсными БП работают более-менее нормально, а вот старые девайсы с трансформаторами, либо электромоторы могут заупрямиться. Второе. Некоторые люди думают, - вот куплю я инвертор на 1,5 или 2 киловатта и будет мне счастье. А позвольте спросить, от чего вы будете его питать? Допустим у меня есть желание поработать болгаркой где-то на природе. Мощность болгарки пусть 1,3 киловатта. Значит ток при 220V примерно 6 ампер. Ерунда казалось бы. А теперь посчитаем эту же мощность при 12 вольтах. Больше 100 ампер. Так что аккумулятора обычной средней легковой машины хватит на несколько минут, ну с заведенным двигателем на полном газу может хватит чуть побольше. И еще одно. Указанное тут устройство высасывает аккумулятор полностью, автоматическое отключение происходит при напряжении 10 вольтах. Но существует много инверторов, которые отключаются раньше, что бы оставалась возможность запустить двигатель. То есть их можно использовать только на автомобиле с работающим мотором. А от слабого или частично разряженного аккумулятора они вообще могут не запуститься. Ну и возвращаясь к предыдущему посту, о заряде ноутбуков. Это всё работает нормально, даже не греется. Но следует помнить что тут происходит двойное преобразование, из 12 в 220, затем из 220 в 19, так что неизбежны бОльшие потери чем при преобразователе описанном выше. Хотя и там они конечно имеются. Ссылка на комментарий Поделиться на другие сайты Поделиться
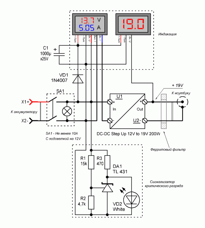
Valery Опубликовано 10 августа, 2017 Автор Жалоба Поделиться Опубликовано 10 августа, 2017 Наконец-то закончил изрядно надоевший проект с повышающим преобразователем, который тянется уже фиг знает сколько. Раз уж купил преобразователь, и другие приблуды для него. Окончательный вариант сляпанного как попало фантастического вида: Слева - напряжение питания в норме, справа - оно понижено, горит сигнализатор разряда аккумулятора. Полная схема: Внешний вид во время работы: Ток иногда превышает 7 ампер, преобразователю хоть бы что, не знаю как ноутбуку: Ну и что это всё за фигня: Это окончательный вариант моего зарядного устройства для ноутбука, на основе повышающего преобразователя, с питанием от свинцово-кислотного аккумулятора. Нужно наблюдать за ходом его разряда, что бы примерно оценивать насколько его хватит. И за тем, что бы напряжение не достигло минимального критического уровня, или как еще говорят - глубокого разряда. Жесткого отключения при достижении того или иного напряжения я не делал, так как человеку виднее когда отключать аккумулятор, и отключать ли вообще. А вот проинформировать его не мешает. Ампервольтметр слева показывает напряжение на питающем аккумуляторе, и ток, потребляемый и ноутбуком, и самим преобразователем, за исключением лампочки подсветки встроенной в выключатель, приборов и светодиодного сигнализатора. Но всё это вместе потребляет относительно небольшой ток (до 100 mA), которым на фоне основного тока можно и пренебречь. Амперметр тут не особо нужен, но при его помощи можно судить о темпе разряда, и делать прогнозы сколько времени аккумулятор еще проработает. Вольтметр справа показывает напряжение на выходе ЗУ. Нужен он для оперативного контроля за работой преобразователя, что бы быстро принять меры при возникновении неисправности, или какой-то проблемы. Питание измерительных приборов осуществляется через простой фильтр на диоде и конденсаторе, что бы избежать возможных помех от работы преобразователя, и защитить их от возможной переплюсовки при подключении. Для преобразователя защита от переплюсовки не предусмотрена, но есть предположение что она там вполне может иметься и так. О приближении глубокого разряда сообщит загоревшийся светодиод. Для четкой работы требуется подобрать светодиод с высоким (не менее 2 вольт) собственным напряжением, потому что DA1 при такой схеме работает не очень четко. Лучше взять белый яркий светодиод. Момент срабатывания настраивается резисторами R1 и R2. Номиналы резисторов могут быть и другими, тут важны не номиналы, а их соотношение. Отключение индикации не предусмотрено. Естественно она не является обязательной, и может быть не установлена. Возможно использование любых 12 вольтовых аккумуляторов, способных достаточно долго выдавать 3-5 ампер. Как гелевых, так и автомобильных (не на автомобиле). Во втором случае возможно использование не очень новых аккумуляторов. Использование автомобильных аккумуляторов в жилых помещениях нежелательно, потому что они выделяют пары серной кислоты. А при интенсивном заряде выделяется кислотная аэрозоль, и горючий газ. Или нужно принять какие-то меры против этого. Заряд питающего аккумулятора этой схемой не предусмотрен, он осуществляется сторонними средствами. Потому я и сказал выше что это "недоделанный" Power bank. Монтаж: Всё собрано в электрической коробке размером 100х100х50 мм. Сборка на проводах, всё закреплено либо термоклеем либо двусторонним скотчем. Силовые цепи (на схеме - толстые линии), выполнены проводом сечением 1 мм2. Внешние провода не желательно делать слишком длинными. Длину их нужно рассчитать по месту. Порядок работы: Надежно подключить зажимы к аккумулятору, включить питание, убедиться что вольтметр на выходе показывает 19 вольт, подключить разъем к ноутбуку. После некоторого испытательного периода можно не отключать преобразователь от ноутбука, но аккумулятор следует подключать всегда только при выключенном выключателе питания. Все действия могут привести к крупным финансовым потерям, и выполняются только на свой страх и риск! Ссылка на преобразователь - по требованию. Вроде всё, вроде бы я альтернативно зарядил всё что можно было, в разумных пределах. И сказать на данный момент вроде бы уже нечего. Может как-нибудь куплю или сделаю солнечную батарею, и начну её испытания, но это будет уже другая тема (если будет). Ссылка на комментарий Поделиться на другие сайты Поделиться
Рекомендуемые сообщения
Для публикации сообщений создайте учётную запись или авторизуйтесь
Вы должны быть пользователем, чтобы оставить комментарий
Создать учетную запись
Зарегистрируйте новую учётную запись в нашем сообществе. Это очень просто!
Регистрация нового пользователяВойти
Уже есть аккаунт? Войти в систему.
Войти